top of page
Spare Parts & Service
FORAS, PENTAX, MARLY pumps
We offer all FORAS, PENTAX, and MARLY spare parts with 4 weeks standard delivery time.
Can't find what you want?
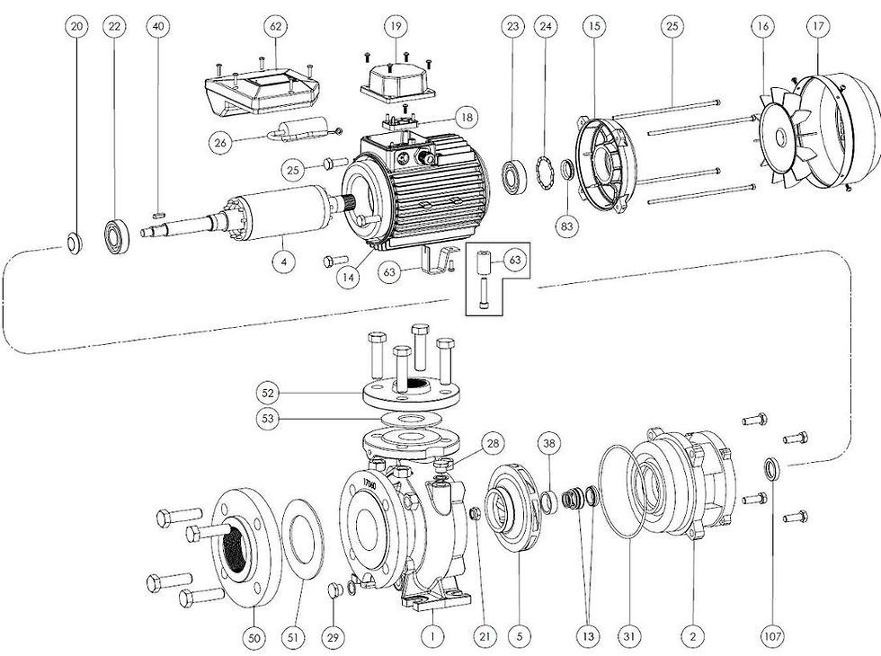
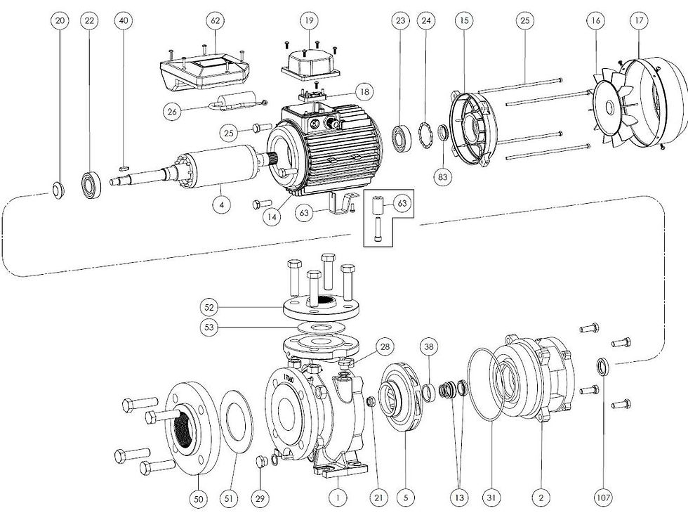
Please note that the mechanical part is identical in
Three Phase models and Single Phase models.
They are distinguished with a «T» letter.
For example: CS450 vs. CST450.
Browse available models:
Contact us
Have any questions?
Our team is here to help
Contact us Spares
bottom of page














































